Page 1 sur 1
Tiroir d'air additionnel
Posté : mar. 3 août 2021 20:45
par G73
Bonjour , je recherche un site pour acquérir cette pièces en référence neuve (indisponible sur tous les sites de pièces de rechange connus)
ou avons nous la possibilité de la rénover avec un kit de réparation
Reference Bosch 0280140158
Cdt
G73
Re: Tiroir d'air additionnel
Posté : mer. 4 août 2021 05:34
par David33
Re: Tiroir d'air additionnel
Posté : mer. 4 août 2021 07:54
par MAGOLF
Aucun en stock David
Quels sont les symptômes ? As tu vérifié en le branchant sur du 12V, une fois démonté ?
Si HS, tu peux en trouver facilement d’occasion.
Re: Tiroir d'air additionnel
Posté : mer. 4 août 2021 09:08
par David33
.
Quand j'ai cherché les liens, ils étaient en stock ... la vache, c'est encore plus recherché que les accu de pression essence
il reste juste en stock, le premier lien actuellement, mais c'est une pièce d'occasion.
.
Re: Tiroir d'air additionnel
Posté : mer. 4 août 2021 09:10
par Ivan
Hello, pas de kit de réparation à ma connaissance. Comme Aurélien, indique nous les symptômes. as tu vérifié sa résistance interne?
Ce n'est qu'un bilame qui laisse passer plus ou moins d'air.
Re: Tiroir d'air additionnel
Posté : mer. 4 août 2021 10:14
par VW 59
Hello,
Il y en a encore un en stock.
https://vwgolf1.com/index.php/product/a ... 35133453a/
C'est un site irlandais, je leur ai commandé le soufflet sous levier de vitesse, reçu à bon prix, sans problèmes

Re: Tiroir d'air additionnel
Posté : mer. 4 août 2021 19:23
par G73
Ivan a écrit : mer. 4 août 2021 09:10
Hello, pas de kit de réparation à ma connaissance. Comme Aurélien, indique nous les symptômes. as tu vérifié sa résistance interne?
Ce n'est qu'un bilame qui laisse passer plus ou moins d'air.
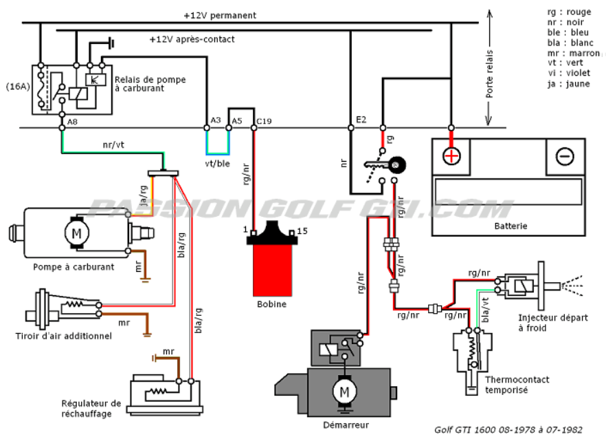
Alors le volet reste fermé , donc a froid le ralenti est trop bas et le moteur cale si je ne mets pas un filet de gaz avec la pédale d'accélérateur
moteur chaud , tout va bien
j'ai alimenté en direct le bilame , mais aucun mouvement
(de tout façon , de mémoire par défaut le volet est ouvert et en l'alimentant , il se ferme)
Re: Tiroir d'air additionnel
Posté : mer. 4 août 2021 21:22
par G73
Bon et bien mon premier diag n'était pas bon
j'ai bien une résistance sur le bilame => 38 Ohms
du coup je l'ai rebranché en direct sur l'établi et le volet manœuvre bien (y a t'il une polarité

)
et sorti du frigo , volet ouvert

, ma femme rigole en me disant que j'ai encore de la place dans mon garage
Trêve de plaisanterie , je n'ai pas contrôler l'alimentation , comment est alimenté ce bilame ,
Re: Tiroir d'air additionnel
Posté : mer. 4 août 2021 21:43
par G73
OK je sors

, je pose des questions avant de chercher
il y a toutes les infos sur le forum

- Tiroir additionnel.PNG (155.51 Kio) Vu 3067 fois
Re: Tiroir d'air additionnel
Posté : jeu. 5 août 2021 09:43
par Ivan
Y a pas de soucis! Tiens nous au courant de tes recherches! Dans tous les cas, pendant qu'il est démonté, et pas au frigo avec les saucisses, tu peux en profiter pour faire un bon nettoyage

Re: Tiroir d'air additionnel
Posté : jeu. 5 août 2021 13:42
par papygolf
Bonjour
Je profite du sujet abordé pour une question : j'ai remplacé le tiroir d'air additionnel (qui à l'époque se trouvait facilement en neuf) et qui ne fonctionnait plus. La résistance étant bonne j'ai pulvérisé du WD 40 et fait un essai en direct sur batterie et il se ferme. Mois aussi je viens de le mettre 2 heures au frigo et je constate que l'ouverture pour laisser passer l'air est inférieure au quart de la surface circulaire. Est-ce normal une petite ouverture ? Et à quoi sert le petit écrou sur le côté...réglage ?
Re: Tiroir d'air additionnel
Posté : jeu. 5 août 2021 20:16
par G73
une photo trouvée , vue interne du tiroir
le volet ne s'ouvre pas en plein et il est compose d'un axe pour régler une ouverture mini et maxi (position moteur froid)
l'ouverture du mien a froid pour une température extérieur de 13° est entre les deux photos (ouverture mini ou maxi a froid)

- Tiroir additionnel vue interne 1.PNG (503.97 Kio) Vu 3042 fois