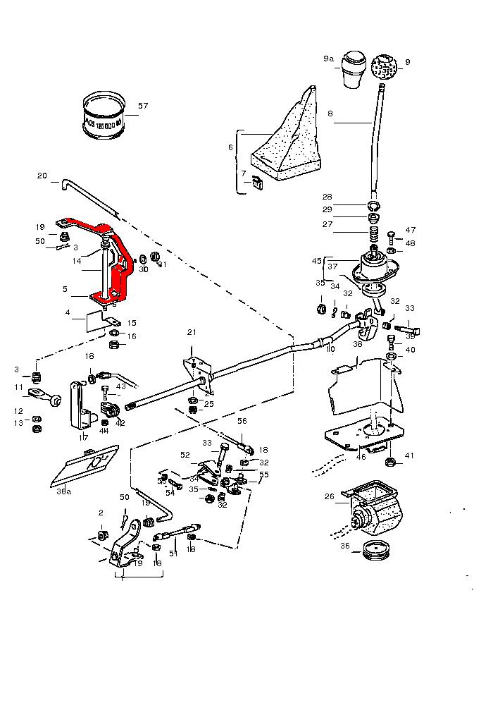
Je ne sais pas ou mettre ce post, pour qu'il soit vu du plus grand nombre d'entres nous....
Savez vous ou trouvez cette pièce et comme s'appel t'elle? car malheureusement elle n'existe plus chez VW et ckez vw classic part non plus apparament
.Merci a vous tous
