Salut les gars!
Bon mauvaise nouvelle, j'ai toujours pas investi dans de belle BBS .... Honte à moi, je sais
Cela dis, la golf roule super bien et avale les kilomètres sans problème. Je pensais tomber sur un soucis ou l'autre après la restauration mais à priori, on a bien travaillé
Certes, je ne lui en demande pas encore trop car le rodage n'est pas encore terminé
La voici avec une G1 et une G7 R:

- 20200614_125028.jpg (211.78 Kio) Vu 2606 fois
Mais voila, à défaut d'acheter des jantes, je me suis plutôt penché sur un autre sujet à propos de nos golfs

les mano
VDO. Je partage ici, avec vous, mes découvertes à ce sujet.
Je me suis dans un premier temps procuré une cadre porte mano pour emplacement autoradio (DIN). J'avais le choix entre une repro ou un original de marque d'époque FOHA (made in austria) mais dans un moins bel état.
J'ai donc opté pour le second à restaurer bien sur

Voici le avant après:

- 20200613_152846.jpg (132.7 Kio) Vu 2606 fois
Le foha repeint est celui du milieu. Celui du haut, la repoduction (semble bien, mais plastique fragile) et le cache autoradio origine vw.

- 20200613_155108.jpg (186.83 Kio) Vu 2606 fois
J'ai d'abord retirer la peinture blanche avec un solvant pas trop agressif afin de ne pas fondre le plastique et le grain. Ensuite, j'ai appliqué un promoteur d'adhésion spéciale plastique avant de faire un voilage au noir mat, puis un léger voilage noir satin.
Voici le résultat de près, dont je suis plutôt satisfait

- 20200613_160822.jpg (127.18 Kio) Vu 2606 fois
Concernant les mano, j'ai choisi la pression d'huile, la T°eau et le voltmètre. Ayant un digifiz, la T°eau est représentée par un barregraphe (segmentation), et je ne suis jamais sur que le moteur est suffisamment chaud (ou trop chaud). Donc j'ai opté pour ce mano plutôt que de doubler la T° huile déjà présente sur le MFA.
J'étais d'abord parti pour acheter des neufs sur le net, mais apparemment ils ne sont plus comme ceux d'époque et ne sont plus "made in germany", donc je me suis laissé tenté par des
NOS!!!
Et la, je dois vous avouez que j'ai été chanceux, je suis tombé sur la perle rare non loin de chez moi
Le pression est de déc.90, la T° est de déc.86 (dur a trouver) et le voltmètre de sept.90! Ce qui fait qu'on est période matching !!!!! Neuf dans leur boite, sauf pour le pression (il est neuf, mais sans la boite). Les autocollants bouchant le trou pour insérer les ampoules d'éclairage sont encore présent

- 20200627_140335.jpg (102.56 Kio) Vu 2606 fois
Vous voyez sur cette photo les accessoires électriques pour monter les vdo comme ils l'auraient fait à l'origine:
- les VDO NOS dans leur boite
- le cadre
- Un porte fusible et porte relais + relais
- Les fils de bonne couleurs

(manque le rouge, le brun et le blanc/rouge mais je sais m'en procurer plus facilement)
- Les connecteurs VDO, voici leur référence: 321 971 970
- Un connecteur 4 points (faisceau TDB) et un connecteur 2 points (faisceau vers moteur)
- une ampoule de rétroéclairage de réserve
- les écrou pour viser manuellement les mano sur le cadre (et non avec une clé pour tout casser)
- les gaines PVC c'est pour refaire certains faisceau dans le compartiment moteur, rien à voir avec les VDO sauf pour les fils vers les sondes.
Voici le rendu: les trois mano cote à cote dans leur cadre, je suis fan

- 20200627_155642.jpg (98.36 Kio) Vu 2606 fois
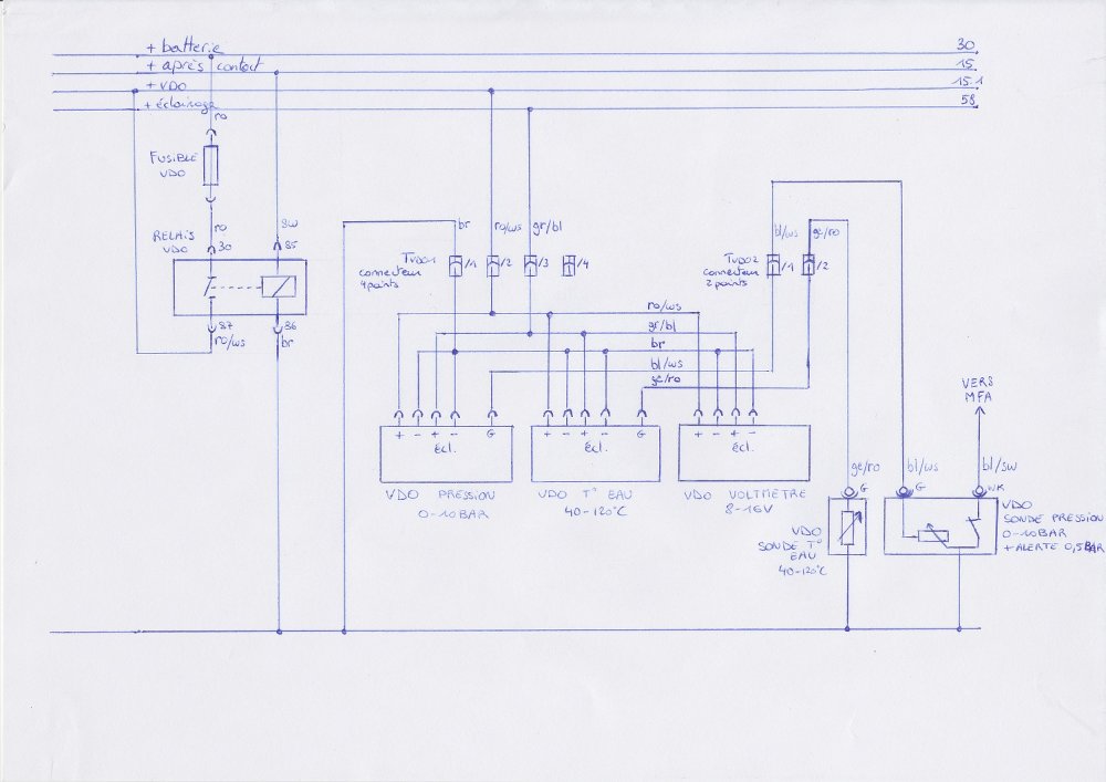
Et pour finir, le schéma que j'ai réalisé pour documenter mon installation dans la golf

Que je partage avec vous bien sur pour vous inspirer
La aussi, je me suis pris un délire à reproduire un schéma comme il aurait été fait par VW à l'époque
D'origine, sur nos golf, la pression d'huile comme valeur au tableau de bord n'existe pas. Je me suis basé sur un schéma d'audi quattro coupé pour sortir la couleur bleu/blanc du fil "valeur pression".
Ceux qui sont attentifs verront que sur KR, le bleu/blanc est utilisé pour le T°eau vers le régulateur d'allumage. Mais ni les sondes sont au même endroit, ni les fils convergent vers le même endroit

- SCN_0001.jpg (87.38 Kio) Vu 2606 fois
Je dois encore acheter la sonde de T°eau et la pression huile. Il existe beaucoup de site pour en acheter, mais tous ne sont pas pro! J'entends par la, beaucoup de manque d'informations sur les sondes, etc. Celui où j'ai trouvé mon bonheur et qui propose le plus grand choix est celui-ci:
https://vdo-webshop.nl/en/
Vous trouverez pour chaque sonde: les cotes d'encombrement, les valeurs ohmiques, toutes les infos utiles. Je vous conseille d'aller voir.
Je vais d'ailleurs y commander les références suivantes:
VDO 323-801-017-001K (T°eau 40-120°C)
VDO 360-081-030-031C (pression huile 0-10BAR + alerte seuil bas 0,5bar).
Reste à savoir ou implémenter ces manos ? Sachant que je tiens à mon autoradio VW Beta d'époque
Je vous ferai également un petit reportage sur l'installation des sondes et les raccordements finaux dans la golf!!!
La suite au prochain épisode
